Forum
Help
Rules
Staff
Login
Register
Welcome,
Guest
. Please
login
or
register
.
October 06, 2025, 05:41:22 PM
Reputation
Add to Reputation:
What do you think of this post?
I agree
I disagree
Comment:
EliteCM.net
>
Suspension & Handling
>
Brakes
>
How To: Acura Legend GS Sedan Dual Piston Caliper Swap
Pages:
« First
< Previous
1
...
3
4
[
5
]
6
7
...
15
Next >
Last »
Go Down
Print
Author
Topic: How To: Acura Legend GS Sedan Dual Piston Caliper Swap (Read 111129 times)
0 Members and 1 Guest are viewing this topic.
AV6NHBP6SPD
Member
Posts: 1909
Reputation Power
: 21
Trade Count:
(0)
Re: How To: Acura Legend GS Sedan Dual Piston Caliper Swap
«
Reply #60 on:
March 28, 2009, 10:15:33 AM »
wonder if i will have to change brakets for calipers or i can use stock once
gona let calipers dry over weekends, turned out pretty good, put about 5 coats on them. i might paint NISSIN black, i k now you not gona see it but still
crapy quality couse taken with shitty camera(not my dslr)
Logged
Misha
http://www.detailedimage.com/wax.php?id=10288&url=detailedimage.com
"Speed has never killed anyone, suddenly becoming stationary… That’s what gets you" - Jeremy Clarkson
AV6NHBP6SPD
Member
Posts: 1909
Reputation Power
: 21
Trade Count:
(0)
Re: How To: Acura Legend GS Sedan Dual Piston Caliper Swap
«
Reply #61 on:
March 28, 2009, 11:41:45 AM »
point of swaping sides so bleeder screw would be located at top for bleeding air out right?
Logged
Misha
http://www.detailedimage.com/wax.php?id=10288&url=detailedimage.com
"Speed has never killed anyone, suddenly becoming stationary… That’s what gets you" - Jeremy Clarkson
CrackerTeg
Farts Dust
Posts: 12508
No fucks given.
Reputation Power
: 99
Trade Count:
(4)
Re: How To: Acura Legend GS Sedan Dual Piston Caliper Swap
«
Reply #62 on:
March 28, 2009, 02:59:24 PM »
That's it exactly.
Logged
"If one day the speed kills me, do not cry because I was smiling." - Paul Walker
AV6NHBP6SPD
Member
Posts: 1909
Reputation Power
: 21
Trade Count:
(0)
Re: How To: Acura Legend GS Sedan Dual Piston Caliper Swap
«
Reply #63 on:
March 28, 2009, 11:42:58 PM »
Tim. i posted on v6p about gs calipers (pics and stuff) and guys brought up good point.
just checked and i4 and v6 auto brake rotors are same part numbers. in your parts needed did you mean to put that if you have v6 auto you would need to get 6spd rotors?
Logged
Misha
http://www.detailedimage.com/wax.php?id=10288&url=detailedimage.com
"Speed has never killed anyone, suddenly becoming stationary… That’s what gets you" - Jeremy Clarkson
AV6NHBP6SPD
Member
Posts: 1909
Reputation Power
: 21
Trade Count:
(0)
Re: How To: Acura Legend GS Sedan Dual Piston Caliper Swap
«
Reply #64 on:
March 29, 2009, 07:55:03 AM »
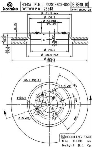
does this mean that 6spd rotors are brembos? part on picture matches honda 6pd rotors. im trying to figure out if i need to get rotors or i can just refinish what i have
Logged
Misha
http://www.detailedimage.com/wax.php?id=10288&url=detailedimage.com
"Speed has never killed anyone, suddenly becoming stationary… That’s what gets you" - Jeremy Clarkson
timot_one
Farts Dust
Posts: 15889
I act like I own this place, because I do!
Reputation Power
: 140
Trade Count:
(4)
Re: How To: Acura Legend GS Sedan Dual Piston Caliper Swap
«
Reply #65 on:
March 29, 2009, 12:30:58 PM »
You lost me with that last one Misha. When I test fit the calipers, I had both i4 and V6 rotors. I can only speak for the i4, not the V6, but here is what I found. The diameter of the V6 rotors was too large, but they were centered in the caliper. The diameter of the i4 rotors was perfect, but they did not sit centered in the caliper. I went on to Brembo's website, found the diameter of the i4 calipers and the offset of the V6 rotors, and plugged them into Brembo's look up tool and found that the Legend LS coupe rotors were the perfect fit. For the V6, I have heard that you can reuse the V6 rotors but all you have to do is swap sides. Hope that helps.
Logged
Tim
Quote from: Andrew Ilnyckyj
Eating gold is like the equivalent of wiping your butt with dollar bills. At some point, it's going to come in contact with my ass...just doing it in a more elegant way.
AV6NHBP6SPD
Member
Posts: 1909
Reputation Power
: 21
Trade Count:
(0)
Re: How To: Acura Legend GS Sedan Dual Piston Caliper Swap
«
Reply #66 on:
March 29, 2009, 12:34:06 PM »
swap sides on rotors too or just calipers?
as far as picture. do you think it means that stock 6spd rotors are brembos?
Logged
Misha
http://www.detailedimage.com/wax.php?id=10288&url=detailedimage.com
"Speed has never killed anyone, suddenly becoming stationary… That’s what gets you" - Jeremy Clarkson
timot_one
Farts Dust
Posts: 15889
I act like I own this place, because I do!
Reputation Power
: 140
Trade Count:
(4)
Re: How To: Acura Legend GS Sedan Dual Piston Caliper Swap
«
Reply #67 on:
March 29, 2009, 12:59:07 PM »
The calipers should be the same, so no need to swap sides with those. I don't think that the OEM rotors are Brembos, but you never know. Acura uses Brembo's as OEM equipment on some cars, so it's possible.
Logged
Tim
Quote from: Andrew Ilnyckyj
Eating gold is like the equivalent of wiping your butt with dollar bills. At some point, it's going to come in contact with my ass...just doing it in a more elegant way.
Rustywaffle
New Member
Posts: 121
Reputation Power
: 1
Trade Count:
(0)
Re: How To: Acura Legend GS Sedan Dual Piston Caliper Swap
«
Reply #68 on:
April 01, 2009, 02:23:52 PM »
hey misha did u ever put the calipers on??? im curious as to if they are worth it or not
Logged
AV6NHBP6SPD
Member
Posts: 1909
Reputation Power
: 21
Trade Count:
(0)
Re: How To: Acura Legend GS Sedan Dual Piston Caliper Swap
«
Reply #69 on:
April 01, 2009, 02:35:01 PM »
Quote from: "Rustywaffle"
hey misha did u ever put the calipers on??? im curious as to if they are worth it or not
didnt put them on. just got my pads and rotors today so will try to get them on by end of the week.
Logged
Misha
http://www.detailedimage.com/wax.php?id=10288&url=detailedimage.com
"Speed has never killed anyone, suddenly becoming stationary… That’s what gets you" - Jeremy Clarkson
AV6NHBP6SPD
Member
Posts: 1909
Reputation Power
: 21
Trade Count:
(0)
Re: How To: Acura Legend GS Sedan Dual Piston Caliper Swap
«
Reply #70 on:
April 01, 2009, 03:52:58 PM »
is it ok to paint top of rotor(where vents are, on side where its not contacting brake pads)? couse mine are rusted there and dont like it. want somehow protect them from rusing. i was gona use flat black high heat paint for that. or is there something special i can use? i know there are some rotors are covered with cryo or something that preven rust. is there something like that avaliable in a spray can or something?
Logged
Misha
http://www.detailedimage.com/wax.php?id=10288&url=detailedimage.com
"Speed has never killed anyone, suddenly becoming stationary… That’s what gets you" - Jeremy Clarkson
rjp6262
New Member
Posts: 230
Reputation Power
: 2
Trade Count:
(0)
Re: How To: Acura Legend GS Sedan Dual Piston Caliper Swap
«
Reply #71 on:
April 08, 2009, 11:41:24 AM »
so when are you putting them on misha??
on a side note: do any other calipers off of other Acura models or Honda models work on our cars? any calipers that are two piston or more.
Logged
AV6NHBP6SPD
Member
Posts: 1909
Reputation Power
: 21
Trade Count:
(0)
Re: How To: Acura Legend GS Sedan Dual Piston Caliper Swap
«
Reply #72 on:
April 08, 2009, 11:50:04 AM »
tomorrow. possiblity today but tomorrow for sure
acura RL and TL-S have brembo 4 piston calipers, but with RL you need adaptors couse mounting bolts are at 90 angle to oem hole locations. so easier i think is TL-S
Logged
Misha
http://www.detailedimage.com/wax.php?id=10288&url=detailedimage.com
"Speed has never killed anyone, suddenly becoming stationary… That’s what gets you" - Jeremy Clarkson
rjp6262
New Member
Posts: 230
Reputation Power
: 2
Trade Count:
(0)
Re: How To: Acura Legend GS Sedan Dual Piston Caliper Swap
«
Reply #73 on:
April 08, 2009, 08:20:53 PM »
ahh cool. just checking...maybe a future upgrade.
Logged
AV6NHBP6SPD
Member
Posts: 1909
Reputation Power
: 21
Trade Count:
(0)
Re: How To: Acura Legend GS Sedan Dual Piston Caliper Swap
«
Reply #74 on:
April 09, 2009, 02:02:44 PM »
Tim. do you have torque specs on brakes, not gona be home to pickup manual couse going straight to my friends shop
Logged
Misha
http://www.detailedimage.com/wax.php?id=10288&url=detailedimage.com
"Speed has never killed anyone, suddenly becoming stationary… That’s what gets you" - Jeremy Clarkson
Pages:
« First
< Previous
1
...
3
4
[
5
]
6
7
...
15
Next >
Last »
Go Up
Print
Jump to:
Please select a destination:
-----------------------------
Lounge
-----------------------------
=> Profiles & Introductions
=> Pictures & Videos
=> General Automotive & Forum Discussion
=> Off Topic
-----------------------------
K Series Performance
-----------------------------
=> Stock Motors, Transmissions, & Maintenance
=> Bolt Ons
=> Engine and Drivetrain Performance
=> ECU, EMS, & Tuning
-----------------------------
J Series Performance
-----------------------------
=> Stock Motors, Transmissions, & Maintenance
=> Bolt Ons
=> Engine and Drivetrain Performance
=> ECU, EMS, & Tuning
-----------------------------
Suspension & Handling
-----------------------------
=> Suspension & Chassis
=> Brakes
=> Wheels & Tires
-----------------------------
Styling & Maintenance
-----------------------------
=> Exterior Styling & Maintenance
=> Interior Styling & Maintenance
=> Detailing
-----------------------------
Electrical
-----------------------------
=> Headlights, Tail Lights, HID's, LED's, & Other Lighting
=> Alarms, Wiring, Harnesses, & Other Electrical Upgrades
=> Audio Systems
-----------------------------
Guest Forum
-----------------------------
=>
New Members Post Here For Activation
=> Issues
-----------------------------
Lounge
-----------------------------
=> Regional
=> Website News / Suggestions
TinyPortal
© 2005-2012